Все, что нельзя запрограммировать на ассемблере, приходится паять.
Этот сайт посвящен моим проектам на PIC контроллерах, доступных для публичного освещения. Все приведенные схемы реализованы в железе и работают в настоящее время в быту или производстве.
Для написания программ использован пакет MPLAB/х , свободно распространяемый фирмой MICROCHIP.
Используется программатор PICKIT2/3, ICD2/3.
Любую конструкцию можно собрать самому, даже если она платная и получить бесплатно код разблокировки.
Также можно приобрести в качестве набора для сборки или готового изделия.
Принимаются заказы на разработку аналогово-цифровой или цифровой электроники, систем управления и электроники для производства с применением контроллеров.
Вопросы и предложения писать на почту Gennadiy.V@gmail.com
Если у Вас есть интересные предложения, закакзы или вопросы и форум Вам не помог - адрес тот же.
Пошаговая инструкция для самостоятельной сборки "OSKAR V2".
Речь пойдет о достаточно хорошо зарекомендовавшем себя универсальном приборе второй версии. При всей своей простоте конструкции, его возможностей достаточно для применения радиолюбителями, автоэлектриками, наладчиками и в быту. Кроме своей основной функции осциллографического пробника, позволяет измерять напряжения, сопротивления, позванивать полупроводники и проверять светодиоды. Выполнен на доступных деталях и прост в настройке.
Подробнее о технических характеристиках:
- Габариты 130 *68 *19 мм
- Дисплей 50*30 мм 132*64 точек, светодиодная подсветка .
- Диапазон чувствительности 20 mV/div - 10 V/div с шагом 1-2-5 . Погрешность не более 5%.
- Открытый / закрытый вход
- Полоса пропускания 0 - 1 МГц.
- Диапазон разверток: - от 20 микросекунд на деление до 5 секунд на деление с шагом 1-2-5. Погрешность не более 0,1%.
- Частота выборок в реальном времени - до 0,8 МГц. Число точек экрана на одну выборку 1/1
- Комфортное наблюдение сигналов - до 100 килогерц.
- Режимы синхронизации : по фронту или спаду, ждущая, авто. Регулировка уровня.
- Запись в память и воспроизведение осциллограммы. "Замораживание" изображения для изучения. Измерение амплитуды и частоты
- Кнопки управления: вверх, вниз, установка.
- Питание : 3 элемента типа ААА , в среднем на 50 часов непрерывной работы. Напряжение питания 3,6 – 6вольт. Максимальное потребление 25мА
- Входное сопротивление / емкость - 0,5 МОм /30p. Открытый и закрытый входа
- Вольтметр постоянного тока с диапазоном +/- 36V точностью +/-3%
- Омметр с диапазоном 0 – 200 кОм точностью +/-5%
Конструктивно выполнен в прочном пластмассовом корпусе с оригинальным дизайном. Для подключения к проверяемой схеме используются обычные щупы от китайского мультиметра.
Принципиальная схема
Скачать в формате sPlan 7.0
Ядром является микроконтроллер PIC18F14K50 фирмы "MICROCHIP", который собственно и выполняет все функции прибора. Аналоговая часть выполнена на сдвоенном операционном усилителе MCP6022 с полосой единичного усиления 10 МГц и аналоговом коммутаторе. Для получения виртуальной земли используется PWM модуль микроконтроллера с фильтром и формирователем на ОУ MCP601. В качестве дисплея использован черно-белый графический индикатор RDX0154-GC (TIC154A) разрешением 132*64 точки с подсветкой RTB01025 (LG-9-02-053-001 или TB1038 или TB1025S). Питание всей схемы выполняется от стабилизированного источника 3,3 вольта (LM2950-3.3). Управление питанием выполнено на транзисторах Т2 и Т3.
Все элементы установлены на двухсторонней печатной плате с одной стороны, а дисплей с подсветкой и кнопками с другой. В итоге получается компактная , жесткая конструкция.

Для сборки нам понадобятся
Перечень элементов
Bat 1
= 1 x Держатель 3*AAA
C14
= 1 x 2400p
0805
C15
= 1 x 320p
0805
C21
= 1 x 10.0 10v
C1,C2,C7,C8,
C12,C13,C18,
C19,C20,C22,
C23,C25,C27
= 13 x 0.1
0805
C16,C17
= 2 x 27p
0805
C26,C28
= 2 x 100.0 10v
C3,C4,C5,C6
= 4 x 75p
0805
C9,C10,C11,C24
= 4 x 1.0
0805
D1,D2
= 2 x LL4148
DA1
= 1 x MCP6022
SO8
DA2
= 1 x MCP601
DD
= 1 x PIC18F14K50
SO20
IC1
= 1 x 74hc4066
SO14
J1,J2,J3,J4,J5
= 5 x BANAN монтажное
LCD
= 1 x RDX0154-GC
R1
= 1 x 75
0805
R6
= 1 x 12k
0805
R10
= 1 x 2k2
0805
R15
= 1 x 1k2
0805
R19
= 1 x 2k
0805
R21
= 1 x 22K
0805
R28
= 1 x 6k2
0805
R11,R12,R16
= 3 x 680k
0805
R13,R18
= 2 x 3k
0805
R14,R22,R23,
R24,R29,R31,
R32
= 7 x 22k
0805
R2,R5,R9,R17,
R26,R27
= 6 x 10k
0805
R3,R4,R30
= 3 x 220k
0805
R7,R8,R20,R25
= 4 x 1k
0805
S1,S2,S3
= 2 x Микрокнопка тактовая 301, 6х6х6мм
T2
= 1 x BC807
T1,T3
= 2 x BC817
VR1
= 1 x lp2950-3.3
XT1
= 1 x 12 MHz
Корпус
= 1 x Z-34A
А также терпение, умение и прямые руки.
Приготовимся (Все картинки кликабельны)

Откусим с одной стороны втулку клеммы

Собираем электронику на печатной плате. После сборки прошьем процессор с помощью PICKIT2, для чего предусмотрены 6 отверсий для подключения программатора.

Приготовим панель подсветки, откусив ножки

Припаяем

Установим ЖКИ и кнопки

Добавим провода и отсек питания

Сборка электроники закончена , займемся корпусом.
Сначала его требуется разметить.Чертеж с размерами
Разметим переднюю панель изнутри с помощью "колумбика" и шилом наколим центра.

Получится примерно так

Сверлим диаметром 1 мм размеченные отверстия и вырезаем окно.

Сверлим диаметром 3,6 мм 8 отверстий.

Сверлим диаметром 3,6 мм 4 отверстия в задней крышке.

Сверлим диаметром 6 мм 5 отверстий, снимаем фаски, зенкуем, финишно обрабатываем проем окна, снимаем фаски.

Устанавливаем две клеммы омметра.


Механическая обработка корпуса окончена, можно убрать стружку и пыль, дальше должно быть все чисто.
Займемся наклейкой. Нам понадобится струйный принтер и прозрачная пленка для струйных принтеров. Печатаем вот такую наклейку

Скачать в формате *.fpl (программу делает та же фирма, что и sPlan)
Сушим, аккуратно вырезаем. Используем тонкие тканевые перчатки, иначе вид у наклейки будет совсем не презентабельный.

Приготовим корпус к наклеиванию. Нам понадобится тонкий двухсторонний скотч с пластиковой основой шириной 50 мм. Приклеим.

Удалим лишнее острым скальпелем.

Снимаем защитную бумагу второй стороны.

Очень аккуратно приклеиваем. Внимание , у Вас только одна попытка, повторить не повредив наклейку не получится.


Острым скальпелем прорезаем отверстия под клеммы и устраняем излишки скотча.

Корпус готов, можно собирать. Сначала установим три заранее обрезанных сбоку втулки клемм. Уберем защитную пленку с ЖКИ и оденем сверху лицевую панель. Вставляем клеммы.

Закручиваем клеммы, припаиваем провода к клеммам омметра, приклеиваем батарейный отсек. Должно получиться примерно так.


Калибровка частотных характеристик аналоговой части.
Для данной процедуры нам понадобится генератор прямоугольных импульсов хорошего качества с выходным напряжением от 50 милливольт до 10 вольт частотой 1- 5 килогерц.
Как известно линейность АЧХ определяется переходной характеристикой, для этого и используются прямоугольные импульсы. Существует три варианта переходной характеристики входных цепей. Недокомпенсация, перекомпенсация, и нормальная. Это и показано на картинках.



Целью настройки является получение идеального прямоугольника на экране.
Всего требуется настройка трех цепей компенсации на пределах 50 мв/дел, 200 мв/дел, 2в/дел.
В первом случае подбираются конденсаторы С3-С6, во втором С15 , в третьем С14.
Для настройки выбрать нужный предел измерения и развертки, подать на вход сигнал достаточной амплитуды, и подобрать конденсатор до получения прямоугольного сигнала
Настройку проводить именно в этом порядке , начиная с 50 мв/дел.
Калибровка встроенного вольтметра.
Нам понадобится источник постоянного стабилизированного напряжения напряжением 15 - 20 вольт с точно известным напряжением.
Перейти в режим Vx – режим вольтметра постоянного тока.
Нажать и удерживать кнопку SET в течении примерно 20 секунд, не обращая на надписи на экране.
Нижней кнопкой установить нулевые показания , точность нуля можно проверить подключая источник напряжения в разной полярности - должны быть одинаковые напряжения с точностью не хуже 0,1 вольт.
подключить источник напряжения и верхней кнопкой выставить истинное значение напряжения.
Калибровка идет по кругу во всех случаях, нажимать до получения нужного результата.
Выход из режима калибровки. Нажать и удерживать кнопку SET в течении примерно 20 секунд, пока не выключится.
Калибровка встроенного омметра.
Нам понадобится точный резистор сопротивлением 70-150 кОм.
Калибровка проводится подбором резистора R17.
Перейти в режим Om - режим омметра. Подключить образцовый резистор и путем подбора R17 добиться показаний с точностью не хуже +/- 3%
На этом все калибровки окончены.
Включение / выключение – длительное нажатие кнопки «Установка».
Движение по меню - кнопка «Установка».
Выбор параметра - кнопки вверх, вниз.
В меню выбирается : (слева направо)
- Тип синхронизации : по фронту, по спаду. отображается характерными символами
- Установка значения частоты развертки. Отображается значение в мкс,мс,с.
- Уровень синхронизации , ориентир – треугольник слева экрана, синхронно перемещающийся вверх-вниз.
- Сдвиг по оси Y
- Режим синхронизации авто "At", ждущий"Wt",
- Усиление канала вертикального отклонения, отображается установленное значение.
- вкл/выкл подсветки индикатора.
- индикация состояния прибора
GO – нормальный режим работы
ST – остановка смены изображения и вывод измеренной амплитуды и частоты. Кнопка "SET" выводит строку с настройками
WR – кнопкой "SET" записать текущую осциллограмму в память
RD – кнопкой "SET" прочесть осциллограмму из памяти и вывести на экран
HL – вызов подсказки и краткого описания.
Vx – режим вольтметра постоянного тока. Щупы для измерения подключаются к клеммам "Общий" и "Открытый вход"
Om - режим омметра.
Перейти к первому пункту меню можно вернувшись в нормальный режим работы.
Включение в режиме демонстрации – включить удерживая кнопку "вверх"
При показе демонстрации включение подсветки – кнопка вверх, выход из демонстрации – вниз.
Режимы демонстрации и подсказки, и номера страниц пишутся в нижнем правом углу. В режиме демонстрации прибор автоматически отключится через 2-3 часа для предотвращения полного разряда батареи.
Уровень заряда батареи – в правом верхнем углу. При понижении напряжения ниже минимального прибор выключается
Подключение источника сигнала
Гнезда слева на право
- общий
- открытый вход
- закрытый вход
Максимальное напряжение - 100 вольт любой полярности. При превышении могут быть необратимо повреждены цепи прибора.
Если сигнал ограничен сверху или снизу или недостаточной амплитуды - переключите значение входного делителя для полного отображения сигнала.
Выбор режима работы
Режим работы осциллографа определяется видом и частотой развертки, видом синхронизации, ослаблением сигнала и соединением с исследуемой схемой. Если некоторые из этих условий неизвестны, то необходимо путем ряда проб определить, какой режим является наилучшим для исследования данного сигнала.
Частота развертки. При выборе развертки следует помнить, что непрерывная развертка обычно используется для наблюдения синусоидальных колебаний или колебаний другой формы, а ждущая развертка сложит для наблюдения импульсных сигналов. Частота развертки выбирается с таким расчетом, чтобы на экране были видны все детали исследуемого сигнала. Изображение сигнала по горизонтали должно занимать возможно большую часть экрана. Увеличение частоты развертки увеличивает протяженность изображения по горизонтали. Установите переключатель TIME/DIV в положение, позволяющее наблюдать требуемое число периодов сигнала. При слишком большом числе периодов для лучшего разрешения, измените положение переключателя на большую скорость развертки. Если на экране присутствует линия, пробуйте перейти к более низкой скорости развертки. Так как если длительность развертки меньше периода сигнала, то только часть его будет показана на экране, и эта часть может выглядеть как прямая линия для прямоугольного или синусоидального сигнала.
Синхронизация развертки. Для хорошей синхронизации правильно выбирайте уровень и полярность синхронизации
Цифровой запоминающий осциллограф позволяет регистрировать непериодические сигналы, например одиночный импульс, выброс и т.п. При регистрации однократного сигнала для правильного выбора уровня и фронта запуска, необходимо предварительно знать некоторые параметры этого сигнала. Например, для регистрации логического ТТЛ сигнала нужно установить уровень 2В и выбрать запуск по нарастающему фронту. Если параметры этого сигнала неизвестны, попробуйте получить осциллограмму обычным способом
Также осциллограф позволяет записывать медленно меняющие сигналы, продолжительностью до 80 секунд
В режиме измерений будет показано напряжение сигнала от нижнего пика до верхнего Vpp и частота измеренная по уровню синхронизации. Для измерения частоты на экране должно быть два полных периода сигнала по уровню синхронизации. Точность измерения определяется разрешением экрана (+/-5%)
Сохраненная в памяти осциллограмма не стирается при отключении батареек. Вместе с ней сохраняются и режимы настроек, которые заменят текущие при чтении сохраненного сигнала. Текущие настройки автоматически сохраняются в энерго-независимой памяти при выключении.
Режим прозвонки
Перейти в режим омметра . При сопротивлении цепи менее 10 Ом индикатор будет моргать подсветкой. Запрещается подавать какое –либо напряжение на клеммы омметра
Портативный осциллограф предназначен для проведения измерений по категории II, степень загрязнения 1, макс. напряжение 600 В, в соответствии с нормами IEC1010-1/UL 94V0
Запрещается проводить измерения в помещениях с повышенной влажностью и загрязненностью; запрещается проводить измерения проводников, напряжение которых может превышать 600 В эфф. по отношению к земле; прибор предназначен для проведения измерений внутри помещений
Максимальное входное напряжение на разъемах прибора 100 В пик. (AC+DC) – аналоговый вход
Не открывайте корпус прибора во время проведения измерений
Во избежание удара электрическим током перед открытием корпуса прибора отсоедините все измерительные щупы от входных гнезд осциллографа при измерении напряжений, превышающих 70 В, используйте изолированные измерительные пробники со встроенными делителями.
Если прибор не планируется использовать в течение долгого времени, отключите батареи питания (под задней крышкой)
Прошивка контроллера.
Апгрейд до версии "OSKAR V3.1".
Апгрейд заключается в обновлении прошивки контроллера и более качественном подборе конденсаторов частотной коррекции.
1.
До модернизации должны уже работать все функции прошивки V2.6.
2.
Скачать прошивку для апгрейда и прошить.
Прошивка для апгрейда.
3.
Включить прибор, первый экран

Затем сменится на второй

Нажать и отпустить кнопку SET
Будет произведено обновление прошивки , после этого выключится.
4.
Включить снова. Появится приглашение разблокировки.

При этом на экране отображается серийный номер осциллографа и поле ввода кода.
Коды разблокировки платные, Стоимость тут.
Выслать код на почту gennadiy.v@gmail.com и получить код разблокировки
Для ввода кода используются кнопки Вверх - увеличение цифры, Вниз уменьшение цифры, Set - переход на новую позицию.

Если находимся на позиции OK то кнопка вниз - выключает осциллограф, Кнопка вверх - ввод кода, кнопка SET - переход на первую позицию кода для корректировки кода.
Число попыток ввода кода ограничено.

Если сделали все правильно - осциллограф выключится и при следующем запуске будет полнофункциональная версия 3.1

Остается только откалибровать вольтметр заново, как описано выше.
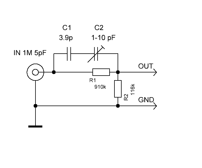
Входной делитель 1/10
Входной делитель собирается по схеме
Параметры - входное сопротивление - 1МОМ, ёмкость 5pF.
Подстроечным конденсатором добиваются нормального прямоугольного сигнала, как описано выше.
При применениии высоковольтных конденсаторов и резисторов, а также надежной изоляции входное напряжение на делителе может быть до 600 вольт.
ПО распространяется под лицензией Shareware. Вы можете скачать с сайта схемы, инструкции, прошивки бесплатно.
Обсудить на форуме
Купить